
ФОТО: Авто24/GettyImages|
Як зробити пускове для авто своїми руками Самодельное пусковое устройство для автомобиля
Пусковий пристрій допомагає заводити двигун, коли має місце якась позаштатна ситуація – сів акумулятор машини, двигун має якусь проблему, вдарив зненацька сильний мороз…
Фабричний зарядно-пусковий пристрій великої потужності коштує чималих грошей, але використовується нечасто
Головна відмінність пускового пристрою від зарядного – у незрівнянно більшій потужності. Причому ця відмінність принципова, і про це добре знають ті автомобілісти, які намагались колись запустити двигун за допомогою звичайної “зарядки” – тобто при підключеному до АКБ зарядному пристрої.
ЧИТАЙТЕ ТАКОЖ: Як зробити зарядне для АКБ своїми руками
Фабричний пусковий пристрій коштує чимало – не менше 2,5 тис. грн, а такий, якому можна беззастережно довірити старт багатолітрового двигуна позашляховика – ближче до 4 тис. грн. Між тим, якщо все робити своїми руками, “пускове” обійдеться у кілька разів дешевше – навіть якщо доведеться оплатити консультацію професійного електрика, який проінспектує результат вашої технічної творчості.
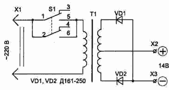
Схема пускового пристрою може бути як елементарною, так і ускладненою – наприклад, з автоматичним підключенням (третій малюнок)
Залучити до процесу спеціаліста ми наполегливо радимо, оскільки електрика може бути небезпечною – це по-перше. А по-друге – деякі компоненти (особливо трансформатор) коштують доволі дорого, і вивести його з ладу через власну конструкторську помилку дуже небажано.
Перед тим, як почати складання пускового пристрою, вивчіть конструкцію кращих зразків аматорського і фабричного виробництва
Отже, щоб зробити пусковий пристрій для автомобіля своїми руками, треба дотриматись кількох умов.
- Треба визначитися з параметрами. Головне – струм, який може віддати пристрій на стартер. Якщо у вас авто з невеликим бензиновим двигуном об’ємом порядку 1,5 л, цей параметр бажаний на рівні 150 – 200 ампер. В принципі, згодиться і 100 ампер, але тоді пусковому пристрою змушений буде допомагати акумулятор машини. Відповідно, більший літраж двигуна (тим більше дизеля!) потребує більшого току від пускового пристрою: 250 – 400 ампер. Від цієї цифри залежить і потужність трансформатора, и параметри діодів випрямителя.
- Підберіть схему – або найпростішу, або з деяким додатковим функціоналом (зарядка АКБ, зварювання металу, захист від порушення полярності, перегріву тощо)
- Придбайте стартові дроти відповідного перетину, з розрахунку 1 мм2 мідного дроту на кожні 10 ампер струму + 15% перетину в якості страхувального запасу. Максимально тугими мають бути затискувачі-крокодили, в яких також важлива площа поверхні, яка прилягатиме до клем вашої АКБ. Подробиці зазвичай можна з’ясувати у магазині, де ви будете купувати ці компоненти.
- Оскільки в схемі є важкі компоненти, подбайте про міцність каркаса, на який вони кріпитимуться. Якщо при перенесенні пристрою щось всередині зірветься з місця, може статися замикання дротів, наслідки якого зазвичай невеселі.
- Зрозумійте, що пусковий пристрій через високий струм на виході – прилад з точки зору безпеки доволі серйозний, тому дуже важливо забезпечувати надійну ізоляцію усіх з’єднань. Так, при напрузі на “крокодилах” 12-14 вольт небезпеки для людині такий струм не становить, але перегрів дротів із загорянням ізоляції цілком можливий. Корпус має бути стійким до нагріву.
Міцність корпуса у випадку із потужним пусковим пристроем для автомобіля має значення
Рекомендація Авто24
Взагалі, в умовах теперішніх українських зим пусковий пристрій може бути потрібен лише в якихось особливих ситуаціях. Тому що навіть вживаний, але більш-менш справний автомобіль має заводитися при морозі бодай – 15о – 20о С, а у нас такі холоди тепер – рідкісний випадок. Інша справа, якщо у вас випадково є потужний трансформатор, і ви збираєтеся зробити з нього більш затребуваний девайс – зарядний пристрій. Тоді вже є сенс вжити додаткових заходів і виготовити не просто “зарядку” для АКБ, а таки пусковий пристрій з можливістю допомоги при старті двигуна.
ЧИТАЙТЕ ТАКОЖ: Як купити зарядний пристрій для автомобіля