Сообщается, что модель целостная, не имеет никаких движущихся частей и механизмов, но способна перемещаться в жидкостях без каких-либо затрат энергии, говорится в опубликованных результатах разработки.
Интересно Google Health и Мayo Clinic применяют искусственный интеллект для исследований лечения рака
Что рассказали
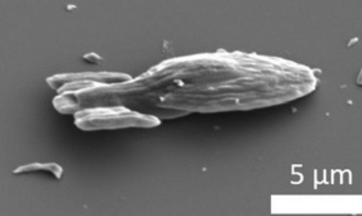
Объект относится к категории микроплавучих. Его размеры позволяют легко оставаться на плаву в жидкостях. К таким относятся также эритроциты, бактерии и другие живые клетки, которые дрейфуют в сосудах. USS Voyager движется за счет химических реакций между платиновым покрытием и раствором перекиси водорода.
Микромодели, созданные в рамках эксперимента / фото pubs.rsc
Обычно ученые применяют микроплавучие объекты сферического типа, но в последнее время стали активно экспериментировать с различными формами. Модель USS Voyager имеет сложную геометрию, она предназначена для изучения особенностей перемещения в жидкостях подобных микроконструкций.
Ученые пытаются понять, можно ли сделать их управляемыми, превратив в транспорт. Например, для точной доставки лекарств в организм или проведения опытов на живых существах изнутри.



