Повідомляється, що модель цілісна, не має ніяких рухомих частин і механізмів, але здатна переміщатися в рідинах без будь-яких витрат енергії, сказано в опублікованих результатах розробки.
Цікаво Google Health та Мayo Clinic застосовують штучний інтелект для досліджень лікування раку
Що розповіли
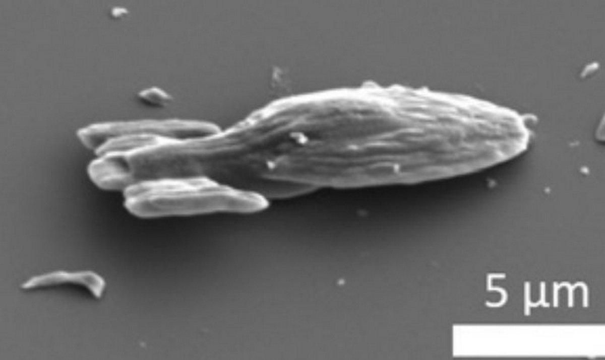
Об'єкт відноситься до категорії мікроплаваючих. Його розміри дозволяють легко залишатися на плаву в рідинах. До таких відносяться також еритроцити, бактерії та інші живі клітини, що дрейфують у судинах. USS Voyager рухається за рахунок хімічних реакцій між платиновим покриттям і розчином перекису водню.
Мікромоделі, створені в рамках експерименту / фото pubs.rsc
Зазвичай вчені застосовують мікроплаваючі об'єкти сферичного типу, але останнім часом стали активно експериментувати з різними формами. Модель USS Voyager має складну геометрію, вона призначена для вивчення особливостей переміщення в рідинах подібних мікроконструкцій.
Вчені намагаються зрозуміти, чи можна зробити їх керованими, перетворивши в транспорт. Наприклад, для точної доставки ліків в організмі або проведення дослідів на живих істотах зсередини.



